Polaris
Browse New Models
Shop In-Stock
Can-Am
Browse New Models
Shop In-Stock
Ski-Doo
Browse New Models
Shop In-Stock
Sea-Doo
Browse New Models
Shop In-Stock
Kayo
Browse New Models
Shop In-Stock
Manitou
Browse New Models
Shop In-Stock
Our
Location
Call
Us
Contact
Us
Toggle navigation
Home
Brands
Showroom
Manufacturer Models
OEM Promotions
Polaris Off-Road
Polaris Snowmobiles
Can-Am
Sea-Doo
Ski-Doo
Kayo
Yamaha Marine
Triton Trailers
Manitou
Nitro Trailers
CAM Superline
Durabull Trailers
Trifecta Pontoons
Inventory
All Inventory In Stock
New Inventory In Stock
Pre-Owned Inventory
Value Your Trade-In
Request a Model
Financing
Parts
Parts Department
OEM Parts Finder
Service
Service Department
Request Polaris Service
Warranty & Recall Look-Up
Financing
About
Our Dealership
Our Team
Reviews
Customer Survey
Newsletter Sign-Up
Employment
Events
Location & Hours
Contact
Call Us
Fort Kent, ME
Fiche | Parts Diagrams
2007 Ski-Doo Snowmobiles
Home
›
Parts
›
OEM Parts Finder
Search by :
Part / Desc
VIN
Please Select
Can-Am
LYNX
Polaris
Sea-Doo
Ski-Doo
Yamaha
*Please enter at least 3 characters
SEARCH
Manufacturer
Ski-doo
Snowmobiles
2007
Mini Z
View Cart
VIEW WISH LIST
Select a Section
Show/Hide
00- Model Numbers
01- Crankcase, Barrel, Crankshaft, Piston
01- Cylinder Head, Camshaft
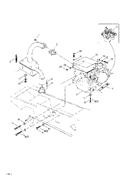
01- Engine Support And Muffler
01- Ignition Coil, Cooling System
02- Carburetor
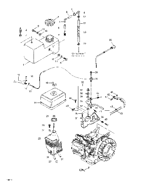
02- Fuel System
04- Rewind Starter
05- Drive Axle And Track
06- Brake And Chain Guard
07- Steering System And Ski
08- Rear Suspension
09- Cab
09- Decals
09- Frame And Body
10- Electrical System
00- Model Numbers
01- Crankcase, Barrel, Crankshaft, Piston
01- Cylinder Head, Camshaft
01- Engine Support And Muffler
01- Ignition Coil, Cooling System
02- Carburetor
02- Fuel System
04- Rewind Starter
05- Drive Axle And Track
06- Brake And Chain Guard
07- Steering System And Ski
08- Rear Suspension
09- Cab
09- Decals
09- Frame And Body
10- Electrical System
View Cart
VIEW WISH LIST