Polaris
Browse New Models
Shop In-Stock
Can-Am
Browse New Models
Shop In-Stock
Ski-Doo
Browse New Models
Shop In-Stock
Sea-Doo
Browse New Models
Shop In-Stock
Kayo
Browse New Models
Shop In-Stock
Manitou
Browse New Models
Shop In-Stock
Our
Location
Call
Us
Contact
Us
Toggle navigation
Home
Brands
Showroom
Manufacturer Models
OEM Promotions
Polaris Off-Road
Polaris Snowmobiles
Can-Am
Sea-Doo
Ski-Doo
Kayo
Yamaha Marine
Triton Trailers
Manitou
Nitro Trailers
CAM Superline
Durabull Trailers
Trifecta Pontoons
Inventory
All Inventory In Stock
New Inventory In Stock
Pre-Owned Inventory
Value Your Trade-In
Request a Model
Financing
Parts
Parts Department
OEM Parts Finder
Service
Service Department
Request Polaris Service
Warranty & Recall Look-Up
Financing
About
Our Dealership
Our Team
Reviews
Customer Survey
Newsletter Sign-Up
Employment
Events
Location & Hours
Contact
Call Us
Fort Kent, ME
Fiche | Parts Diagrams
2007 Ski-Doo Snowmobiles
Home
›
Parts
›
OEM Parts Finder
Search by :
Part / Desc
VIN
Please Select
Can-Am
LYNX
Polaris
Sea-Doo
Ski-Doo
Yamaha
*Please enter at least 3 characters
SEARCH
Manufacturer
Ski-doo
Snowmobiles
2007
Skandic WT 600
View Cart
VIEW WISH LIST
Select a Section
Show/Hide
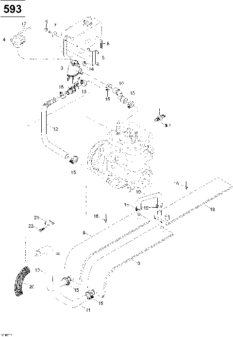
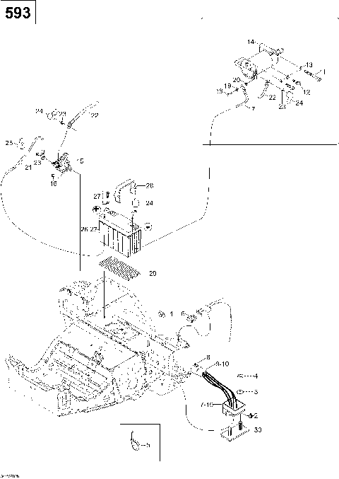
01- Cooling System (600)
01- Crankcase (600)
01- Crankshaft And Pistons 600
01- Cylinder and Cylinder Head 600
01- Engine And Engine Support 600
01- Exhaust System 600
02- Air Intake System WT 600
02- Carburetor 600
02- Fuel System 600
02- Oil System 600
03- Magneto 600
04- Rewind Starter 600
05- Drive Pulley 600
05- Drive System WT 600
05- Driven Pulley WT 600
05- Pulley System WT 600
05- Transmission WT 600
06- Brakes
07- Front Suspension And Ski SWT-WT 600
07- Steering System WT
08- Rear Suspension WT 600
09- Bottom Pan WT 600
09- Decals WT 600
09- Frame WT 600
09- Hood WT 600
09- Luggage Rack
09- Seat WT 600
09- Utilities WT
10- Battery And Starter WT 600
10- Electrical System WT 600
10- Steering Wiring Harness WT 600
01- Cooling System (600)
01- Crankcase (600)
01- Crankshaft And Pistons 600
01- Cylinder and Cylinder Head 600
01- Engine And Engine Support 600
01- Exhaust System 600
02- Air Intake System WT 600
02- Carburetor 600
02- Fuel System 600
02- Oil System 600
03- Magneto 600
04- Rewind Starter 600
05- Drive Pulley 600
05- Drive System WT 600
05- Driven Pulley WT 600
05- Pulley System WT 600
05- Transmission WT 600
06- Brakes
07- Front Suspension And Ski SWT-WT 600
07- Steering System WT
08- Rear Suspension WT 600
09- Bottom Pan WT 600
09- Decals WT 600
09- Frame WT 600
09- Hood WT 600
09- Luggage Rack
09- Seat WT 600
09- Utilities WT
10- Battery And Starter WT 600
10- Electrical System WT 600
10- Steering Wiring Harness WT 600
View Cart
VIEW WISH LIST