Polaris
Browse New Models
Shop In-Stock
Can-Am
Browse New Models
Shop In-Stock
Ski-Doo
Browse New Models
Shop In-Stock
Sea-Doo
Browse New Models
Shop In-Stock
Kayo
Browse New Models
Shop In-Stock
Manitou
Browse New Models
Shop In-Stock
Our
Location
Call
Us
Contact
Us
Toggle navigation
Home
Brands
Showroom
Manufacturer Models
OEM Promotions
Polaris Off-Road
Polaris Snowmobiles
Can-Am
Sea-Doo
Ski-Doo
Kayo
Yamaha Marine
Triton Trailers
Manitou
Nitro Trailers
CAM Superline
Durabull Trailers
Trifecta Pontoons
Inventory
All Inventory In Stock
New Inventory In Stock
Pre-Owned Inventory
Value Your Trade-In
Request a Model
Financing
Parts
Parts Department
OEM Parts Finder
Service
Service Department
Request Polaris Service
Warranty & Recall Look-Up
Financing
About
Our Dealership
Our Team
Reviews
Customer Survey
Newsletter Sign-Up
Employment
Events
Location & Hours
Contact
Call Us
Fort Kent, ME
Fiche | Parts Diagrams
2008 Ski-Doo Snowmobiles
Home
›
Parts
›
OEM Parts Finder
Search by :
Part / Desc
VIN
Please Select
Can-Am
LYNX
Polaris
Sea-Doo
Ski-Doo
Yamaha
*Please enter at least 3 characters
SEARCH
Manufacturer
Ski-doo
Snowmobiles
2008
Expedition Sport V-800
View Cart
VIEW WISH LIST
Select a Section
Show/Hide
00- Model Numbers
01- Cooling System
01- Crankcase
01- Crankshaft, Piston And Cylinder
01- Cylinder Head, Front
01- Cylinder Head, Rear
01- Engine And Engine Support
01- Engine Cooling
01- Engine Lubrication
01- Exhaust System
02- Air Intake System
02- Fuel System
02- Intake Manifold And Throttle Body
03- Magneto
05- Drive System 1
05- Drive System 2
05- Pulley System
06- Hydraulic Brakes
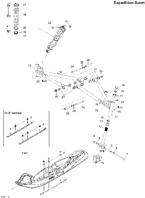
07- Front Suspension And Ski
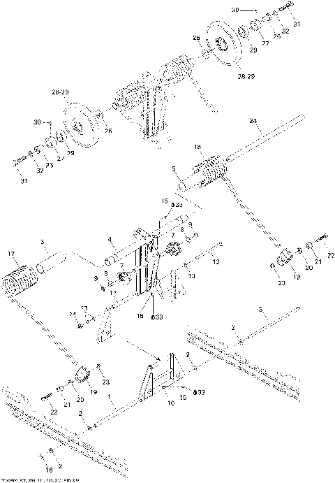
07- Steering
08- Front Arm
08- Rear Arm
08- Rear Suspension
08- Rear Suspension Shocks
09- Bottom Pan
09- Decals
09- Frame
09- Frame and Components
09- Hood
09- Luggage Rack
09- Seat
09- Utilities
10- Battery And Starter
10- Electrical Accessories
10- Electrical Harness
10- Electrical Harness, Hood
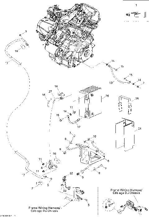
10- Engine Harness And Electronic Module
10- Steering Wiring Harness
99- Ski-doo Publications
00- Model Numbers
01- Cooling System
01- Crankcase
01- Crankshaft, Piston And Cylinder
01- Cylinder Head, Front
01- Cylinder Head, Rear
01- Engine And Engine Support
01- Engine Cooling
01- Engine Lubrication
01- Exhaust System
02- Air Intake System
02- Fuel System
02- Intake Manifold And Throttle Body
03- Magneto
05- Drive System 1
05- Drive System 2
05- Pulley System
06- Hydraulic Brakes
07- Front Suspension And Ski
07- Steering
08- Front Arm
08- Rear Arm
08- Rear Suspension
08- Rear Suspension Shocks
09- Bottom Pan
09- Decals
09- Frame
09- Frame and Components
09- Hood
09- Luggage Rack
09- Seat
09- Utilities
10- Battery And Starter
10- Electrical Accessories
10- Electrical Harness
10- Electrical Harness, Hood
10- Engine Harness And Electronic Module
10- Steering Wiring Harness
99- Ski-doo Publications
View Cart
VIEW WISH LIST