Polaris
Browse New Models
Shop In-Stock
Can-Am
Browse New Models
Shop In-Stock
Ski-Doo
Browse New Models
Shop In-Stock
Sea-Doo
Browse New Models
Shop In-Stock
Kayo
Browse New Models
Shop In-Stock
Manitou
Browse New Models
Shop In-Stock
Our
Location
Call
Us
Contact
Us
Toggle navigation
Home
Brands
Showroom
Manufacturer Models
OEM Promotions
Polaris Off-Road
Polaris Snowmobiles
Can-Am
Sea-Doo
Ski-Doo
Kayo
Yamaha Marine
Triton Trailers
Manitou
Nitro Trailers
CAM Superline
Durabull Trailers
Trifecta Pontoons
Inventory
All Inventory In Stock
New Inventory In Stock
Pre-Owned Inventory
Value Your Trade-In
Request a Model
Financing
Parts
Parts Department
OEM Parts Finder
Service
Service Department
Request Polaris Service
Warranty & Recall Look-Up
Financing
About
Our Dealership
Our Team
Reviews
Customer Survey
Newsletter Sign-Up
Employment
Events
Location & Hours
Contact
Call Us
Fort Kent, ME
Fiche | Parts Diagrams
2010 Ski-Doo Snowmobiles
Home
›
Parts
›
OEM Parts Finder
Search by :
Part / Desc
VIN
Please Select
Can-Am
LYNX
Polaris
Sea-Doo
Ski-Doo
Yamaha
*Please enter at least 3 characters
SEARCH
Manufacturer
Ski-doo
Snowmobiles
2010
Renegade Adrenaline 600HO ETEC
View Cart
VIEW WISH LIST
Select a Section
Show/Hide
00- Model Numbers 600HO ETEC
00- Model Numbers 800R PTEK
01- 3D Rave
01- Cooling System 600HO ETEC
01- Cooling System 800R PTEK
01- Crankcase And Water Pump
01- Crankcase, Water Pump And Oil Pump
01- Crankshaft And Pistons
01- Cylinder and Cylinder Head
01- Cylinder And Injection System
01- Engine And Engine Support 1- 800R PTEK
01- Engine And Engine Support 2- 800R PTEK
01- Engine And Engine Support 600HO ETEC
01- Exhaust System 600HO ETEC
01- Exhaust System 800R PTEK
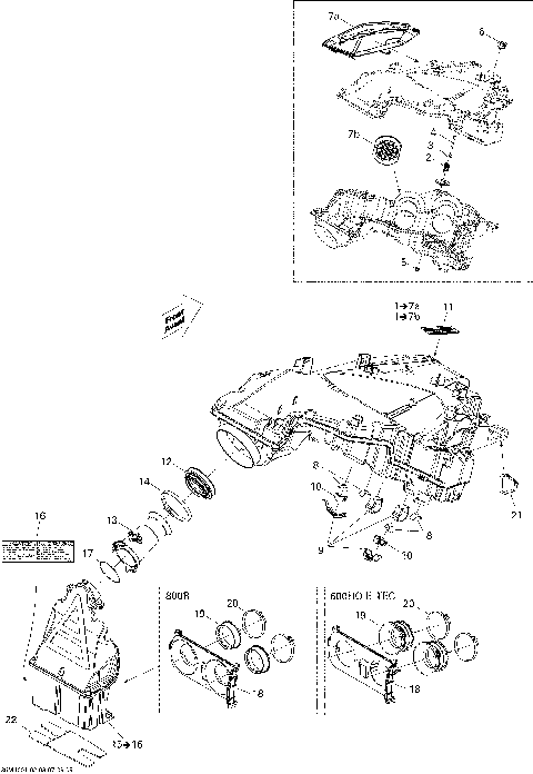
02- Air Intake System 600HO ETEC
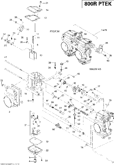
02- Air Intake System 800R PTEK
02- Carburetor 800R PTEK
02- Fuel System 600HO ETEC
02- Fuel System 800R PTEK
02- Oil System 600HO ETEC
02- Oil System 800R PTEK
03- Magneto
04- Electric Starter
04- Rewind Starter
05- Drive System
05- Pulley System 600HO ETEC
05- Pulley System 800R PTEK
06- Hydraulic Brakes
07- Front Suspension And Ski
07- Steering
08- Front Arm
08- Rear Arm
08- Rear Suspension
08- Rear Suspension Shocks
09- Bottom Pan
09- Decals 600HO ETEC
09- Decals 800R PTEK
09- Frame Adrenaline
09- Frame and Components 1
09- Frame and Components 2- Adrenaline
09- Hood 600HO ETEC
09- Hood 800R PTEK
09- Luggage Rack
09- Seat
09- Utilities 600HO ETEC
09- Utilities 800R PTEK
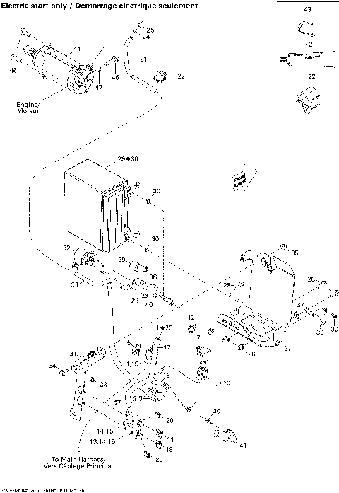
10- Battery And Starter 600HO ETEC
10- Battery And Starter 800R PTEK
10- Electrical Harness 600HO ETEC
10- Electrical Harness 800R PTEK
10- Electrical System 600HO ETEC
10- Electrical System 800R PTEK
10- Steering Wiring Harness 600HO ETEC (15M1008a)
10- Steering Wiring Harness 600HO ETEC (15M1008b)
10- Steering Wiring Harness 800R PTEK
99- Ski-Doo Publications
00- Model Numbers 600HO ETEC
00- Model Numbers 800R PTEK
01- 3D Rave
01- Cooling System 600HO ETEC
01- Cooling System 800R PTEK
01- Crankcase And Water Pump
01- Crankcase, Water Pump And Oil Pump
01- Crankshaft And Pistons
01- Cylinder and Cylinder Head
01- Cylinder And Injection System
01- Engine And Engine Support 1- 800R PTEK
01- Engine And Engine Support 2- 800R PTEK
01- Engine And Engine Support 600HO ETEC
01- Exhaust System 600HO ETEC
01- Exhaust System 800R PTEK
02- Air Intake System 600HO ETEC
02- Air Intake System 800R PTEK
02- Carburetor 800R PTEK
02- Fuel System 600HO ETEC
02- Fuel System 800R PTEK
02- Oil System 600HO ETEC
02- Oil System 800R PTEK
03- Magneto
04- Electric Starter
04- Rewind Starter
05- Drive System
05- Pulley System 600HO ETEC
05- Pulley System 800R PTEK
06- Hydraulic Brakes
07- Front Suspension And Ski
07- Steering
08- Front Arm
08- Rear Arm
08- Rear Suspension
08- Rear Suspension Shocks
09- Bottom Pan
09- Decals 600HO ETEC
09- Decals 800R PTEK
09- Frame Adrenaline
09- Frame and Components 1
09- Frame and Components 2- Adrenaline
09- Hood 600HO ETEC
09- Hood 800R PTEK
09- Luggage Rack
09- Seat
09- Utilities 600HO ETEC
09- Utilities 800R PTEK
10- Battery And Starter 600HO ETEC
10- Battery And Starter 800R PTEK
10- Electrical Harness 600HO ETEC
10- Electrical Harness 800R PTEK
10- Electrical System 600HO ETEC
10- Electrical System 800R PTEK
10- Steering Wiring Harness 600HO ETEC (15M1008a)
10- Steering Wiring Harness 600HO ETEC (15M1008b)
10- Steering Wiring Harness 800R PTEK
99- Ski-Doo Publications
View Cart
VIEW WISH LIST