Polaris
Browse New Models
Shop In-Stock
Can-Am
Browse New Models
Shop In-Stock
Ski-Doo
Browse New Models
Shop In-Stock
Sea-Doo
Browse New Models
Shop In-Stock
Kayo
Browse New Models
Shop In-Stock
Manitou
Browse New Models
Shop In-Stock
Our
Location
Call
Us
Contact
Us
Toggle navigation
Home
Brands
Showroom
Manufacturer Models
OEM Promotions
Polaris Off-Road
Polaris Snowmobiles
Can-Am
Sea-Doo
Ski-Doo
Kayo
Yamaha Marine
Triton Trailers
Manitou
Nitro Trailers
CAM Superline
Durabull Trailers
Trifecta Pontoons
Inventory
All Inventory In Stock
New Inventory In Stock
Pre-Owned Inventory
Value Your Trade-In
Request a Model
Financing
Parts
Parts Department
OEM Parts Finder
Service
Service Department
Request Polaris Service
Warranty & Recall Look-Up
Financing
About
Our Dealership
Our Team
Reviews
Customer Survey
Newsletter Sign-Up
Employment
Events
Location & Hours
Contact
Call Us
Fort Kent, ME
Fiche | Parts Diagrams
2014 Ski-Doo Snowmobiles
Home
›
Parts
›
OEM Parts Finder
Search by :
Part / Desc
VIN
Please Select
Can-Am
LYNX
Polaris
Sea-Doo
Ski-Doo
Yamaha
*Please enter at least 3 characters
SEARCH
Manufacturer
Ski-doo
Snowmobiles
2014
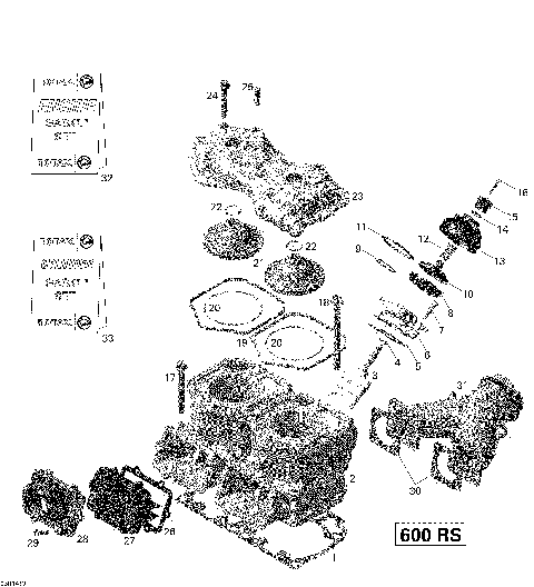
MXZ X 600RS XS RS
View Cart
VIEW WISH LIST
Select a Section
Show/Hide
00- Model Numbers
01- Cooling System _10M1438
01- Crankcase
01- Crankshaft And Pistons
01- Cylinder, Exhaust Manifold And Reed Valve
01- Engine And Engine Support _08M1438
01- Exhaust System _13M1438
02- Air Intake System _35M1438
02- Carburetor _16M1438
02- Fuel System _14M1438
03- Magneto
04- Rewind Starter
05- Drive System _17M1438
05- Pulley System _19M1438
06- Hydraulic Brakes _22M1438
07- Front Suspension And Ski _24M1438
07- Steering _23M1438
08- Rear Suspension _26M1438
09- Bottom Pan _31M1438
09- Decals _32M1438
09- Frame _30M1438
09- Frame And Components _55M1438
09- Hood, Windshield And Console _38M1438
09- Seat _29M1438
09- Utilities _46M1438
10- Electrical Harness _43M1438
10- Electrical System _33M1438
00- Model Numbers
01- Cooling System _10M1438
01- Crankcase
01- Crankshaft And Pistons
01- Cylinder, Exhaust Manifold And Reed Valve
01- Engine And Engine Support _08M1438
01- Exhaust System _13M1438
02- Air Intake System _35M1438
02- Carburetor _16M1438
02- Fuel System _14M1438
03- Magneto
04- Rewind Starter
05- Drive System _17M1438
05- Pulley System _19M1438
06- Hydraulic Brakes _22M1438
07- Front Suspension And Ski _24M1438
07- Steering _23M1438
08- Rear Suspension _26M1438
09- Bottom Pan _31M1438
09- Decals _32M1438
09- Frame _30M1438
09- Frame And Components _55M1438
09- Hood, Windshield And Console _38M1438
09- Seat _29M1438
09- Utilities _46M1438
10- Electrical Harness _43M1438
10- Electrical System _33M1438
View Cart
VIEW WISH LIST