Polaris
Browse New Models
Shop In-Stock
Can-Am
Browse New Models
Shop In-Stock
Ski-Doo
Browse New Models
Shop In-Stock
Sea-Doo
Browse New Models
Shop In-Stock
Kayo
Browse New Models
Shop In-Stock
Manitou
Browse New Models
Shop In-Stock
Our
Location
Call
Us
Contact
Us
Toggle navigation
Home
Brands
Showroom
Manufacturer Models
OEM Promotions
Polaris Off-Road
Polaris Snowmobiles
Can-Am
Sea-Doo
Ski-Doo
Kayo
Yamaha Marine
Triton Trailers
Manitou
Nitro Trailers
CAM Superline
Durabull Trailers
Trifecta Pontoons
Inventory
All Inventory In Stock
New Inventory In Stock
Pre-Owned Inventory
Value Your Trade-In
Request a Model
Financing
Parts
Parts Department
OEM Parts Finder
Service
Service Department
Request Polaris Service
Warranty & Recall Look-Up
Financing
About
Our Dealership
Our Team
Reviews
Customer Survey
Newsletter Sign-Up
Employment
Events
Location & Hours
Contact
Call Us
Fort Kent, ME
Fiche | Parts Diagrams
2023 Ski-Doo Snowmobiles
Home
›
Parts
›
OEM Parts Finder
Search by :
Part / Desc
VIN
Please Select
Can-Am
LYNX
Polaris
Sea-Doo
Ski-Doo
Yamaha
*Please enter at least 3 characters
SEARCH
Manufacturer
Ski-doo
Snowmobiles
2023
002 - TUNDRA SPORT 600 ACE - North America
View Cart
VIEW WISH LIST
Select a Section
Show/Hide
00- Model Numbers
01- ROTAX - Air Intake Manifold And Throttle Body
01- ROTAX - Crankcase
01- ROTAX - Crankshaft and Pistons
01- ROTAX - Cylinder Head
01- ROTAX - Engine Cooling
01- ROTAX - Engine Harness And Electronic Module
01- ROTAX - Engine Lubrication
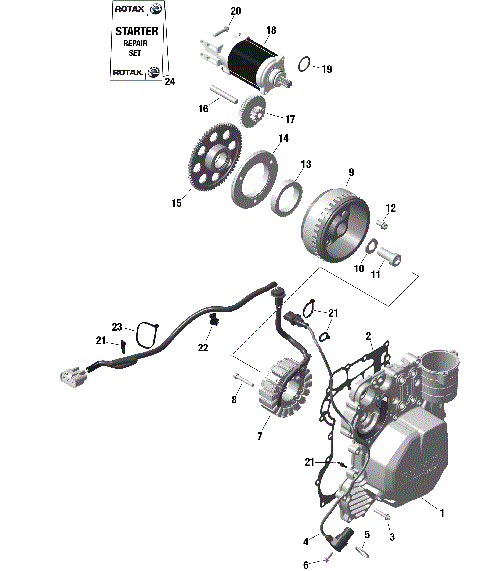
01- ROTAX - Magneto and Electric Starter
01- ROTAX - Valve Cover
01- ROTAX - Valve Train
02- Engine - Air Intake
02- Engine - Cooling
02- Engine - Exhaust
02- Engine - Fuel
02- Engine - System
03- Mechanic - Brakes
03- Mechanic - Steering
04- Drive - Pulley
04- Drive - System
05- Suspension - Front
05- Suspension - Front Shock
05- Suspension - Rear - Lower Section
05- Suspension - Rear - Upper Section
05- Suspension - Rear Shocks
06- Frame - System - Front Section
06- Frame - System - Rear Section
07- Body - Bottom Pan
07- Body - Cargo
07- Body - Decals
07- Body - Hood
07- Body - Seat
07- Body - Side Panels
07- Body - Warning Decals
08- Electric - Lower Section
08- Electric - Main Harness - 515178732
08- Electric - Upper Section
09- Miscellaneous - Utilities
00- Model Numbers
01- ROTAX - Air Intake Manifold And Throttle Body
01- ROTAX - Crankcase
01- ROTAX - Crankshaft and Pistons
01- ROTAX - Cylinder Head
01- ROTAX - Engine Cooling
01- ROTAX - Engine Harness And Electronic Module
01- ROTAX - Engine Lubrication
01- ROTAX - Magneto and Electric Starter
01- ROTAX - Valve Cover
01- ROTAX - Valve Train
02- Engine - Air Intake
02- Engine - Cooling
02- Engine - Exhaust
02- Engine - Fuel
02- Engine - System
03- Mechanic - Brakes
03- Mechanic - Steering
04- Drive - Pulley
04- Drive - System
05- Suspension - Front
05- Suspension - Front Shock
05- Suspension - Rear - Lower Section
05- Suspension - Rear - Upper Section
05- Suspension - Rear Shocks
06- Frame - System - Front Section
06- Frame - System - Rear Section
07- Body - Bottom Pan
07- Body - Cargo
07- Body - Decals
07- Body - Hood
07- Body - Seat
07- Body - Side Panels
07- Body - Warning Decals
08- Electric - Lower Section
08- Electric - Main Harness - 515178732
08- Electric - Upper Section
09- Miscellaneous - Utilities
View Cart
VIEW WISH LIST