Polaris
Browse New Models
Shop In-Stock
Can-Am
Browse New Models
Shop In-Stock
Ski-Doo
Browse New Models
Shop In-Stock
Sea-Doo
Browse New Models
Shop In-Stock
Kayo
Browse New Models
Shop In-Stock
Manitou
Browse New Models
Shop In-Stock
Our
Location
Call
Us
Contact
Us
Toggle navigation
Home
Brands
Showroom
Manufacturer Models
OEM Promotions
Polaris Off-Road
Polaris Snowmobiles
Can-Am
Sea-Doo
Ski-Doo
Kayo
Yamaha Marine
Triton Trailers
Manitou
Nitro Trailers
CAM Superline
Durabull Trailers
Trifecta Pontoons
Inventory
All Inventory In Stock
New Inventory In Stock
Pre-Owned Inventory
Value Your Trade-In
Request a Model
Financing
Parts
Parts Department
OEM Parts Finder
Service
Service Department
Request Polaris Service
Warranty & Recall Look-Up
Financing
About
Our Dealership
Our Team
Reviews
Customer Survey
Newsletter Sign-Up
Employment
Events
Location & Hours
Contact
Call Us
Fort Kent, ME
Fiche | Parts Diagrams
2008 Yamaha
Home
›
Parts
›
OEM Parts Finder
Search by :
Part / Desc
VIN
Please Select
Can-Am
LYNX
Polaris
Sea-Doo
Ski-Doo
Yamaha
*Please enter at least 3 characters
SEARCH
Manufacturer
Yamaha
Outboard Motors
2008
F6AMLH/F6AMSH/F8CMLH/F8CMSH 0407
View Cart
VIEW WISH LIST
Select a Section
Show/Hide
BOTTOM COWLING
BRACKET 1
BRACKET 2
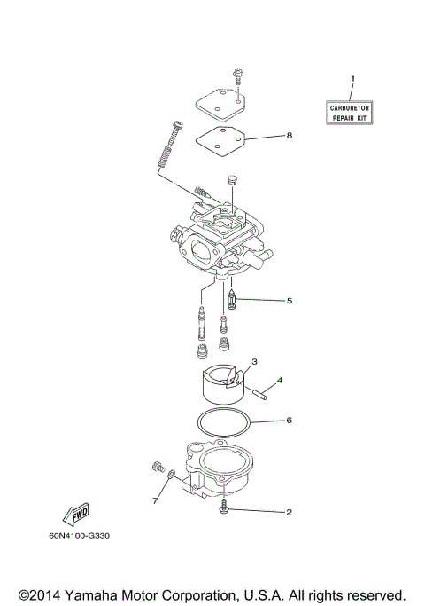
CARBURETOR
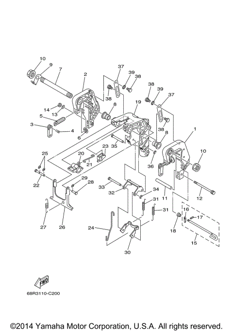
CONTROL
CRANKSHAFT PISTON
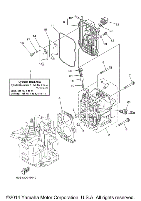
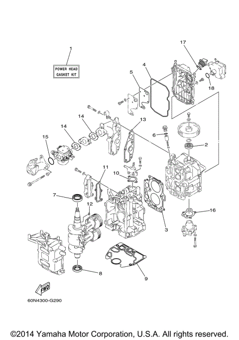
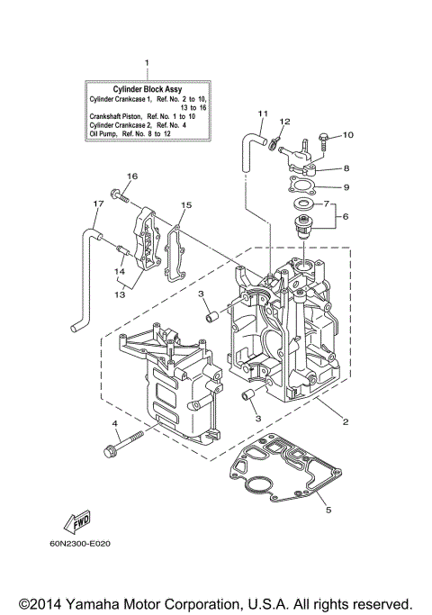
CYLINDER CRANKCASE 1
CYLINDER CRANKCASE 2
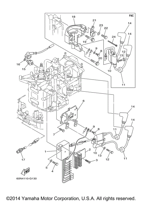
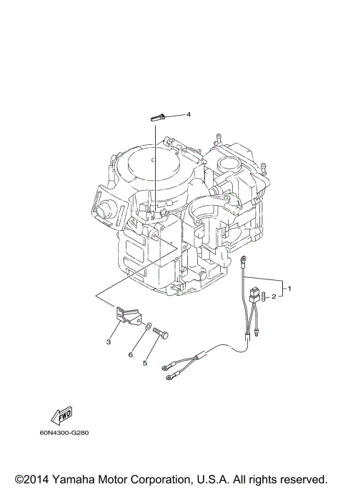
ELECTRICAL 1
ELECTRICAL 2
FUEL 1
FUEL 2
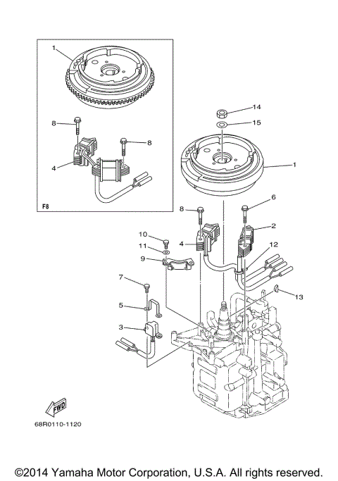
GENERATOR
INTAKE
LOWER CASING DRIVE 1
LOWER CASING DRIVE 2
OIL PAN
OIL PUMP
OPTIONAL PARTS 1
OPTIONAL PARTS 2
OPTIONAL PARTS 3
REMO CON ATTACHMENT
REPAIR KIT 1
REPAIR KIT 2
REPAIR KIT 3
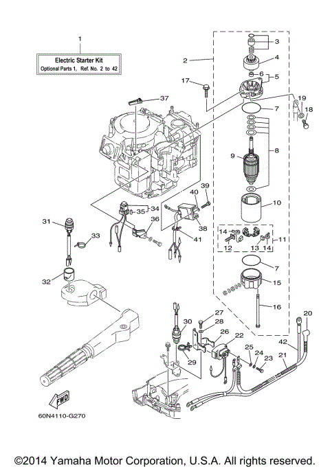
STARTER
STEERING
STEERING FRICTION
STEERING GUIDE
TOP COWLING
UPPER CASING
VALVE
BOTTOM COWLING
BRACKET 1
BRACKET 2
CARBURETOR
CONTROL
CRANKSHAFT PISTON
CYLINDER CRANKCASE 1
CYLINDER CRANKCASE 2
ELECTRICAL 1
ELECTRICAL 2
FUEL 1
FUEL 2
GENERATOR
INTAKE
LOWER CASING DRIVE 1
LOWER CASING DRIVE 2
OIL PAN
OIL PUMP
OPTIONAL PARTS 1
OPTIONAL PARTS 2
OPTIONAL PARTS 3
REMO CON ATTACHMENT
REPAIR KIT 1
REPAIR KIT 2
REPAIR KIT 3
STARTER
STEERING
STEERING FRICTION
STEERING GUIDE
TOP COWLING
UPPER CASING
VALVE
View Cart
VIEW WISH LIST