Polaris
Browse New Models
Shop In-Stock
Can-Am
Browse New Models
Shop In-Stock
Ski-Doo
Browse New Models
Shop In-Stock
Sea-Doo
Browse New Models
Shop In-Stock
Kayo
Browse New Models
Shop In-Stock
Manitou
Browse New Models
Shop In-Stock
Our
Location
Call
Us
Contact
Us
Toggle navigation
Home
Brands
Showroom
Manufacturer Models
OEM Promotions
Polaris Off-Road
Polaris Snowmobiles
Can-Am
Sea-Doo
Ski-Doo
Kayo
Yamaha Marine
Triton Trailers
Manitou
Nitro Trailers
CAM Superline
Durabull Trailers
Trifecta Pontoons
Inventory
All Inventory In Stock
New Inventory In Stock
Pre-Owned Inventory
Value Your Trade-In
Request a Model
Financing
Parts
Parts Department
OEM Parts Finder
Service
Service Department
Request Polaris Service
Warranty & Recall Look-Up
Financing
About
Our Dealership
Our Team
Reviews
Customer Survey
Newsletter Sign-Up
Employment
Events
Location & Hours
Contact
Call Us
Fort Kent, ME
Fiche | Parts Diagrams
2018 Yamaha
Home
›
Parts
›
OEM Parts Finder
Search by :
Part / Desc
VIN
Please Select
Can-Am
LYNX
Polaris
Sea-Doo
Ski-Doo
Yamaha
*Please enter at least 3 characters
SEARCH
Manufacturer
Yamaha
Outboard Motors
2018
REMOCON
View Cart
VIEW WISH LIST
Select a Section
Show/Hide
CL SWITCH PANEL TRIPLE (MAIN)
CL SWITCH PANEL TWIN (MAIN)
CLP STATION SELECT (MAIN & 2ND HELM)
CLP SWITCH PANEL SINGLE (2ND HELM)
CLP SWITCH PANEL QUAD (2ND HELM)
CLP SWITCH PANEL QUAD (MAIN)
CLP SWITCH PANEL SINGLE (MAIN)
CLP SWITCH PANEL TRIPLE (2ND HELM)
CLP SWITCH PANEL TRIPLE (MAIN)
CLP SWITCH PANEL TWIN (2ND HELM)
CLP SWITCH PANEL TWIN (MAIN)
CONTROL 703 MANUAL
CONTROL 703 PULL
CONTROL 703 PUSH
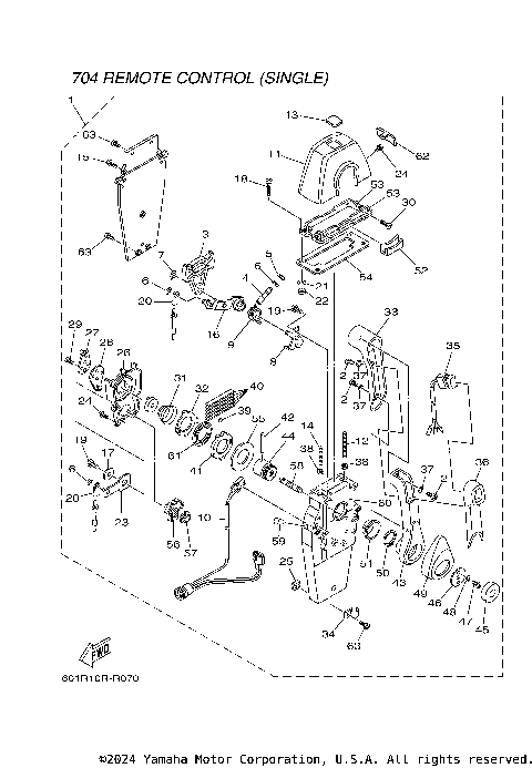
CONTROL BINNACLE 704 SINGLE
CONTROL BINNACLE 704 TWIN
CONTROL BINNACLE TRIPLE
CONTROL SIDE FLUSH
DEC LAYOUT CHART 1 (SINGLE)
DEC LAYOUT CHART 2 (TWIN)
DEC LAYOUT CHART 3 (TRIPLE)
DEC LAYOUT CHART 4 (QUAD)
DEC LAYOUT CHART 5 (6X7)
DEC REMOTE CONTROL (6X7)
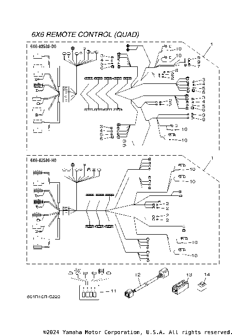
DEC REMOTE CONTROL (QUAD)
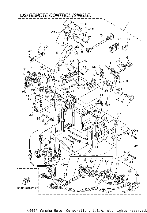
DEC REMOTE CONTROL (SINGLE)
DEC REMOTE CONTROL (TRIPLE)
DEC REMOTE CONTROL (TWIN)
DEC REMOTE CONTROL HARNESS (QUAD)
DEC REMOTE CONTROL HARNESS (TRIPLE)
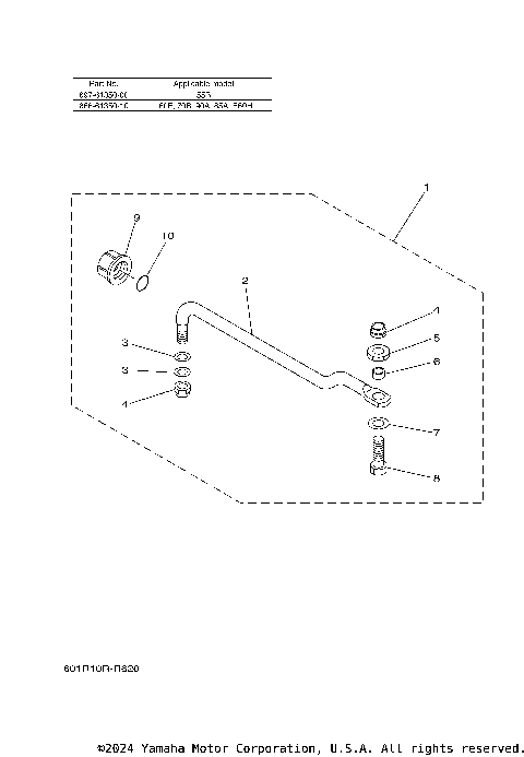
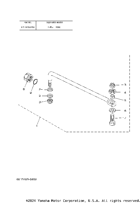
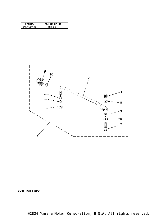
DUAL ENGINE TIE BAR
ELECTRICAL DEC REMOTE CONTROL 1
ELECTRICAL DEC REMOTE CONTROL 2
ELECTRICAL MISCELLANEOUS
REMOTE CONTROL ATTACH 9.9 15
REMOTE CONTROL ATTACH F15C F20
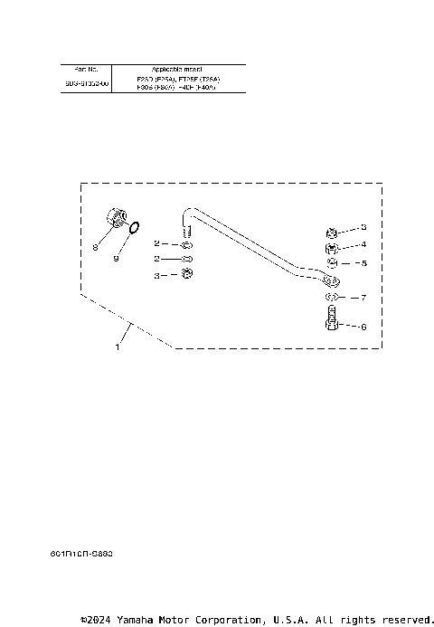
REMOTE CONTROL ATTACH F25A F25B
REMOTE CONTROL ATTACH F25C
REMOTE CONTROL ATTACH F9.9 T9.9
STEERING GUIDE 1
STEERING GUIDE 10
STEERING GUIDE 11
STEERING GUIDE 2
STEERING GUIDE 3
STEERING GUIDE 4
STEERING GUIDE 5
STEERING GUIDE 6
STEERING GUIDE 7
STEERING GUIDE 8
STEERING GUIDE 9
STEERING HOOK 1
STEERING HOOK 2
STEERING HOOK 3
SWITCH PANEL CONVENTIONAL SINGLE
SWITCH PANEL CONVENTIONAL TWIN
SWITCH PANEL INDIVIDUAL
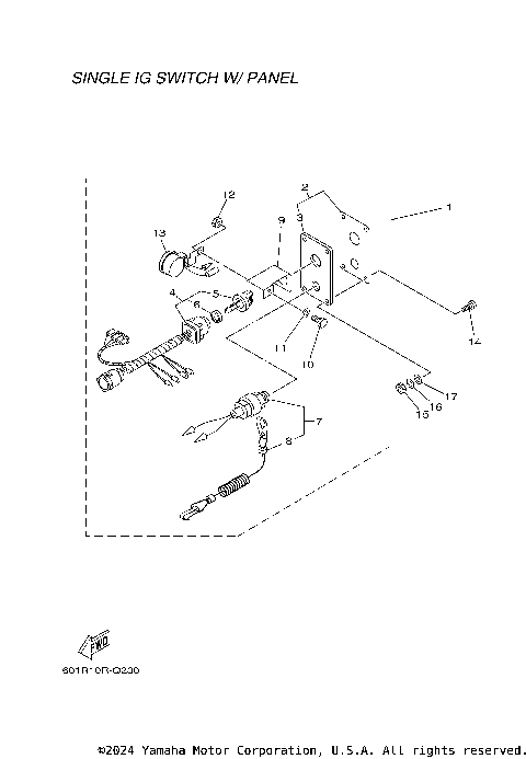
SWITCH PANEL SINGLE (W/O PANEL)
WIRE HARNESS CLP
WIRE HARNESS CONVENTIONAL
CL SWITCH PANEL TRIPLE (MAIN)
CL SWITCH PANEL TWIN (MAIN)
CLP STATION SELECT (MAIN & 2ND HELM)
CLP SWITCH PANEL SINGLE (2ND HELM)
CLP SWITCH PANEL QUAD (2ND HELM)
CLP SWITCH PANEL QUAD (MAIN)
CLP SWITCH PANEL SINGLE (MAIN)
CLP SWITCH PANEL TRIPLE (2ND HELM)
CLP SWITCH PANEL TRIPLE (MAIN)
CLP SWITCH PANEL TWIN (2ND HELM)
CLP SWITCH PANEL TWIN (MAIN)
CONTROL 703 MANUAL
CONTROL 703 PULL
CONTROL 703 PUSH
CONTROL BINNACLE 704 SINGLE
CONTROL BINNACLE 704 TWIN
CONTROL BINNACLE TRIPLE
CONTROL SIDE FLUSH
DEC LAYOUT CHART 1 (SINGLE)
DEC LAYOUT CHART 2 (TWIN)
DEC LAYOUT CHART 3 (TRIPLE)
DEC LAYOUT CHART 4 (QUAD)
DEC LAYOUT CHART 5 (6X7)
DEC REMOTE CONTROL (6X7)
DEC REMOTE CONTROL (QUAD)
DEC REMOTE CONTROL (SINGLE)
DEC REMOTE CONTROL (TRIPLE)
DEC REMOTE CONTROL (TWIN)
DEC REMOTE CONTROL HARNESS (QUAD)
DEC REMOTE CONTROL HARNESS (TRIPLE)
DUAL ENGINE TIE BAR
ELECTRICAL DEC REMOTE CONTROL 1
ELECTRICAL DEC REMOTE CONTROL 2
ELECTRICAL MISCELLANEOUS
REMOTE CONTROL ATTACH 9.9 15
REMOTE CONTROL ATTACH F15C F20
REMOTE CONTROL ATTACH F25A F25B
REMOTE CONTROL ATTACH F25C
REMOTE CONTROL ATTACH F9.9 T9.9
STEERING GUIDE 1
STEERING GUIDE 10
STEERING GUIDE 11
STEERING GUIDE 2
STEERING GUIDE 3
STEERING GUIDE 4
STEERING GUIDE 5
STEERING GUIDE 6
STEERING GUIDE 7
STEERING GUIDE 8
STEERING GUIDE 9
STEERING HOOK 1
STEERING HOOK 2
STEERING HOOK 3
SWITCH PANEL CONVENTIONAL SINGLE
SWITCH PANEL CONVENTIONAL TWIN
SWITCH PANEL INDIVIDUAL
SWITCH PANEL SINGLE (W/O PANEL)
WIRE HARNESS CLP
WIRE HARNESS CONVENTIONAL
View Cart
VIEW WISH LIST